Водіям в україні доведеться вивчати нові дисципліни
Кабмін україни вніс зміни до навчальних програм для водіїв. Теоретична частина навчання буде розділена на 5 предметів: — будова і технічне обслуговування транспортних засобів;—...
Блог ім. Moks87 → записки індіанця: про скільки нам відкриттів дивовижних…
... Готує дефектовки дух!процес відновлення мотоцикла часто займає досить тривалий час. Досить велика частина цього часу йде на очікування: запчастин, виконання робіт третіми особами,...
15 сходів, по яких страшно ходити (спойлер: багато з них знаходяться там, де ви...
Чи бачили ви коли-небудь сходи, по яких небезпечно ходити? якщо ні, тоді ми вам їх покажемо. І якщо ви думаєте, що вони знаходяться десь...
У росії запустили збірку оновленого kia ceed
Що стосується змін у зовнішності моделі, то ceed слідом за іншими моделями марки отримав нову емблему kia без колишньої овальної рамки і виконану іншим...
Для автовласників в україні введуть новий податок: за що доведеться платити
Власники старих автомобілів можуть зіткнутися з додатковими витратами після покупки нового засобу пересування. Зокрема з них запропонували збирати так званий утилізаційний збір. З такою...
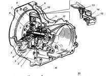
Загальна будова трансмісії
Будова автоматичної коробки передач досить складно, але я спробую доступно описати деякі відомості про неї. Автоматична коробка передач включає в себе автоматичну триступеневу коробку передач і гідротрансформатор крутного моменту.
В україні побудували новий автомобіль
Кременчуцький завод комунальної техніки "альфатекс" виготовив новий вакуумний автомобіль моделі ат во-701, який виконаний на шасі dayun cgc1100. Машина призначена для механізованого очищення каналізаційних...
В україні розкрита масштабна корупційна схема з» євробляхами “
В україні правоохоронці викрили чергову шахрайську схему з введення в країну старих іномарок, за що послідували протоколи на загальну суму штрафу в майже 1,7...
Загальна будова трансмісії
Пристрій зчеплення з периферійним розташуванням пружин мають істотний недолік — чутливість до відцентровим силам, які пропорційні квадрату частоти обертання зчеплення, у швидкохідних двигунах вони значні і викликають деформацію («спучування») пружин, від чого пружини подовжуються, зменшуючи осьове зусилля і, отже, коефіцієнт запасу зчеплення.Значно краще протистоять відцентровій силі діафрагмові пружини , що представляють собою у вільному стані усічений конус з радіальними прорізами, що йдуть від внутрішнього краю.
Українцям назвали топ-5 надійних б / в автомобілів до 300 000 грн
Безумовно, старий транспортний засіб може зажадати незначного ремонту або додаткового догляду. Однак якщо б/в машина відрізняється високим класом, надійністю, відмінною якістю, хорошим станом, то...
Українці масово скуповують вживані автомобілі: які моделі користуються найбільшим попитом
За вересень в україні першу реєстрацію пройшли відразу 54,3 тис.вживаних легкових автомобілів. Це в півтора рази більше, ніж за аналогічний період минулого року. Старі...
У росії стартували продажі автомобілів aurus вартістю 24 млн рублів
У першій половині жовтня 2021 року в росії стартували продажі автомобілів aurus — перші екземпляри седанів senat для приватних осіб будуть передані клієнтам з...
Статті – ” тільки електрика!”
Компанія audi розповіла, де і коли припинить випуск бензинових і дизельних моторів, проте залишила собі лазівки Подробиці нової стратегії були розкриті в рамках прес-днів...
Секрет при перевзуванні – він продовжить життя шинам
Під час одного з наших шинних тестів експерти михайло колодочкін і олексій ревін з'ясували, що все (абсолютно все!) штатні манометри компресорів показують невірні значення!...
“белтехогляд” пропонує провести процедуру без участі власника. Підходить не всім
"белтехогляд" оголосив про нову послугу «комфортний техогляд». Її суть-проведення контрольно-діагностичних робіт для транспортного засобу та отримання дозволу на його допуск до участі в дорожньому...
В україні побудують перший автобан вже в 2022 році
Потенційні інвестори зацікавлені в п'яти проектах будівництва автобанів в україні шляхом державно-приватного партнерства. Про це заявивши прем'єр-міністр україни денис шмигаль в ході виступу на...
Наздогнати і перегнати tesla: gm анонсувала недорогі кросовери equinox ev і blazer ev
До 2025 року gm хоче вивести на ринок 30 нових електромобілів, а до 2035 року позбутися моделей з двс, але поки що анонсовані і...
3/4 роки позаду: найпопулярніші автомобілі росії
Завантаження ... 8:20 1 / 25 Kia seltos Kia seltos, що з'явився в росії в 2020 році, вже готується до оновлення, але поки він...
Їду без поліса осаго-відберуть права?
Ситуація 1. Забув поліс осцпв будинку 7 способів заощадити на осаго (до 15-20% вартості поліса!) Водій зобов'язаний мати при собі поліс осаго і на...
“автотору” не вистачає двигунів російського виробництва
Зараз "автотор «випускає автомобілі під марками bmw, kia і hyundai, притому асортимент» баварців «мізніє на очах, так що основною продукцією поступово стають»корейці". Враховуючи, що...










































